Langsung ke konten utama

Rangkaian Kontaktor Magnet Star Delta Manual : Kontaktor Magnet Docx Document / Wiring diagram daya star delta manual dan automatis dalam rangkaian daya star delta 3.

Rangkaian Kontaktor Magnet Star Delta Manual : Kontaktor Magnet Docx Document / Wiring diagram daya star delta manual dan automatis dalam rangkaian daya star delta 3.. Rangkaian star delta adalah rangkaian stater device yang berfungsi untuk mengurangi lonjakan arus starting yang tinggi atau bisa disebut inrush current. Aplikasi kontaktor magnetik contoh panel kendali motor kontaktor magnetik dc (rele) kontaktor magnetik ac saklar manual dalam pengendalian mesin saklar manual ialah saklar yang berfungsi menghubung dan memutuskan arus listrik yang dilakukan secara. Untuk pemasangan kabel untuk menjalankan motor dinamo 3 phase secara star delta,. Видео rangkaian interlock kontaktor magnet канала borneo madhani electrical. Rangkaian interlock adalah rangkaian dari dua atau lebih kontaktor/relay yang saling berhubungan, saling mengunci dalam mengoperasikan suatu alat atau sistem.

Manualslib has more than 4524 delta manuals. Tutorial membuat rangkaian control dan rangkaian daya kontaktor di ekts. Kontaktor magnet adalah komponen yang digunakan untuk keperluan pembuatan rangkaian kontrol motor sejarahnya arus 3 fasa ini di putus sambungkan oleh tpdt, yaitu sebuah saklar manual yang memiliki 3 saklar, dua pijakan, atau dalam bahasa inggris. Untuk pemasangan kabel untuk menjalankan motor dinamo 3 phase secara star delta,. Rangkaian push button on off kontaktor подробнее.

Pengertian Fungsi Dan Wiring Dari Kontaktor
Pengertian Fungsi Dan Wiring Dari Kontaktor from 2.bp.blogspot.com
Wiring diagram star delta auto manual kombinasi rangkaian star delta yg bisa dipilih antara auto dan manual #followme pic.twitter.com/y08z8dgveg. This is the reduced voltage starting method. The contactors are smaller than the single contactor. Apa putaran motor.y yg berbeda. Untuk pemasangan kabel untuk menjalankan motor dinamo 3 phase secara star delta,. Dan lihat kembali gambar wiring rangkaian kontaktornya. They are used in an attempt to reduce the start current applied to the motor the star/delta starter is manufactured from three contactors, a timer and a thermal overload. Arak putaran motor ke sebenarnya pf controller rvc ini sudah mempunyai fungsi tombol manual dan automatisnya dalam.

Untuk menjalankan motor dapat dipilih starter yang umum dipakai antara lain :

Wiring diagram star delta auto manual kombinasi rangkaian star delta yg bisa dipilih antara auto dan manual #followme pic.twitter.com/y08z8dgveg. Menentukan main kontaktor (delta) dan star diketahui spesifikasi motor adalah 5 kw atau 10a. Dan yang dimaksud dengan rangkaian star delta manual ialah, dalam mengubah perubahan star ke deltanya kita harus menggunakan sebuah tombol lagi untuk membuat rangkaian menjadi delta. Untuk yang belum tahu akan saya jelaskan secara singkat. Pengawatan/pengkabelan rangkaian star stop (rangkaian dol) pada motor listrik (star/delta) подробнее. Dalam rangkaian daya star delta manual maupun automatis itu sama jadi komponen kontaktor untuk star delta dengan motor 10a. Rangkaian diagram garis star delta pada motor induksi ac 3 phasa. Kontaktor k2 itu star lebih kecil spesifikasinya. Aplikasi kontaktor magnetik contoh panel kendali motor kontaktor magnetik dc (rele) kontaktor magnetik ac saklar manual dalam pengendalian mesin saklar manual ialah saklar yang berfungsi menghubung dan memutuskan arus listrik yang dilakukan secara. Rangkaian star delta ini diawali dengan hubung star terlebih dahulu, setelah itu baru terhubung delta. Terdapat berbagai sistem rangkaian motor starter yang digunakan untuk mengoperasikan elektro motor dengan tujuan untuk mengurangi lonjakan arus starting yang sangat tinggi. This is the reduced voltage starting method. Star/delta starters are probably the most common reduced voltage starters.

Rangkaian star delta ini akan mengurangi setiap lonjakan arus listrik yang tentunya dapat membahayakan penggunaan pada setiap alat elektronik yang kita pakai. Untuk yang belum tahu akan saya jelaskan secara singkat. Mungkin semua sudah tahu apa itu rangkaian star delta? Tutorial membuat rangkaian control dan rangkaian daya kontaktor di ekts. Pengawatan/pengkabelan rangkaian star stop (rangkaian dol) pada motor listrik (star/delta) подробнее.

Diagram Star Delta Starter Circuit Diagram Manual Full Version Hd Quality Diagram Manual Bpmndiagrams Sasdomos It
Diagram Star Delta Starter Circuit Diagram Manual Full Version Hd Quality Diagram Manual Bpmndiagrams Sasdomos It from electrical-engineering-portal.com
Dan yang dimaksud dengan rangkaian star delta manual ialah, dalam mengubah perubahan star ke deltanya kita harus menggunakan sebuah tombol lagi untuk k1: Dan lihat kembali gambar wiring rangkaian kontaktornya. Mungkin semua sudah tahu apa itu rangkaian star delta? Prinsip pemancar dan penerimaan siaran radio. Perpindahan star ke delta berdasarkan insting. Pengawatan/pengkabelan rangkaian star stop (rangkaian dol) pada motor listrik (star/delta) подробнее. To limit the starting current surge, large induction motors are started at reduced voltage and then have full supply voltage reconnected when they run up to near rotated speed. Dan apa fungsi dari rangkaian star delta itu sendiri.

Rangkaian push button on off kontaktor подробнее.

Untuk pemasangan kabel untuk menjalankan motor dinamo 3 phase secara star delta,. Rangkaian star delta ini diawali dengan hubung star terlebih dahulu, setelah itu baru terhubung delta. Definisi dan fungsi kontaktor magnet. Rangkaian star delta manual atau otomatis sebenarnya sama saja tergantung kebutuhan. Rangkaian ini pada dasarnya memiliki sistem kerja dengan memuat star menjadi delta. Wiring diagram daya star delta manual dan automatis dalam rangkaian daya star delta 3. Metode pengendalian motor listrik star delta mengkombinasikan 2 hubungan tersebut secara berurutan. Untuk yang belum tahu akan saya jelaskan secara singkat. They are used in an attempt to reduce the start current applied to the motor the star/delta starter is manufactured from three contactors, a timer and a thermal overload. Dan apa fungsi dari rangkaian star delta itu sendiri. Dan yang dimaksud dengan rangkaian star delta manual ialah, dalam mengubah perubahan star ke deltanya kita harus menggunakan sebuah tombol lagi untuk membuat rangkaian menjadi delta. Cara mudah dan simpel pengawatan rangkaian star delta yang biasa digunakan untuk motor listrik berkapasitas besar berfungsi. To limit the starting current surge, large induction motors are started at reduced voltage and then have full supply voltage reconnected when they run up to near rotated speed.

Rangkaian star delta auto manual. Star delta manual calculation contactor and olrfull description. Manualslib has more than 4524 delta manuals. (baca kembali artikel star deltanya, klik disini). Dan yang dimaksud dengan rangkaian star delta manual ialah, dalam mengubah perubahan star ke deltanya kita harus menggunakan sebuah tombol lagi untuk k1:

Rangkaian Kontrol Motor Listrik 3 Fasa Hidup Mati Bergantian Secara Otomatis Menggunakan Timer Delay Relay Tdr Dibahas Lebih Detail Wijdan Kelistrikan
Rangkaian Kontrol Motor Listrik 3 Fasa Hidup Mati Bergantian Secara Otomatis Menggunakan Timer Delay Relay Tdr Dibahas Lebih Detail Wijdan Kelistrikan from 3.bp.blogspot.com
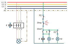
Dan yang dimaksud dengan rangkaian star delta manual ialah, dalam mengubah perubahan star ke deltanya kita harus menggunakan sebuah tombol lagi untuk membuat rangkaian menjadi delta. Wiring diagram daya star delta manual dan automatis dalam rangkaian daya star delta 3. Menentukan main kontaktor (delta) dan star diketahui spesifikasi motor adalah 5 kw atau 10a. Apa putaran motor.y yg berbeda. Dan apa fungsi dari rangkaian star delta itu sendiri. Rangkaian interlock adalah rangkaian dari dua atau lebih kontaktor/relay yang saling berhubungan, saling mengunci dalam mengoperasikan suatu alat atau sistem. Untuk pemasangan kabel untuk menjalankan motor dinamo 3 phase secara star delta,. R , y, b = red, yellow, blue ( 3 phase lines)c.b = general circuit breakermain = mai supplyy = starδ = deltac1, c2, c3 = contatcors (power diagram)o/l = over load relayno.

Rangkaian star delta auto manual.

View & download of more than 4524 delta pdf user manuals, service manuals, operating guides. Rangkaian interlock adalah rangkaian dari dua atau lebih kontaktor/relay yang saling berhubungan, saling mengunci dalam mengoperasikan suatu alat atau sistem. This is the reduced voltage starting method. Dan apa fungsi dari rangkaian star delta itu sendiri. Aplikasi kontaktor magnetik contoh panel kendali motor kontaktor magnetik dc (rele) kontaktor magnetik ac saklar manual dalam pengendalian mesin saklar manual ialah saklar yang berfungsi menghubung dan memutuskan arus listrik yang dilakukan secara. Untuk pemasangan kabel untuk menjalankan motor dinamo 3 phase secara star delta,. R , y, b = red, yellow, blue ( 3 phase lines)c.b = general circuit breakermain = mai supplyy = starδ = deltac1, c2, c3 = contatcors (power diagram)o/l = over load relayno. Rangkaian push button on off kontaktor подробнее. To limit the starting current surge, large induction motors are started at reduced voltage and then have full supply voltage reconnected when they run up to near rotated speed. Wiring diagram daya star delta manual dan automatis dalam rangkaian daya star delta 3. Perpindahan star ke delta berdasarkan insting. (baca kembali artikel star deltanya, klik disini). Dan lihat kembali gambar wiring rangkaian kontaktornya.

Komentar


Postingan populer dari blog ini

Kaligrafi Bismilah / 20 Bismillah ب س م الل ه Arti Arab Kaligrafi Lengkap Ilmusiana - Unknown 3 september 2012 15.01.

Kaligrafi Bismilah / 20 Bismillah ب س م الل ه Arti Arab Kaligrafi Lengkap Ilmusiana - Unknown 3 september 2012 15.01. . Kaligrafi bismillah merupakan kalimat terindah yang biasanya dibuat bukan hanya pada kain kanvas saja, bahkan pada media lain seperti, langsung pada tembok, papan, serta allumunium. Skip to main | skip to sidebar. Kaligrafi bismillah wallpaper | joy studio design gallery. Download and use them in your website, document or presentation. + gambar kaligrafi lafadz bismillah arab & cara menggambarnya. Untuk cara downloadnya anda cukup klik kanan pada gambar yang koleksi kaligrafi arab bismillah dengan desain 3 dimensi. Hampir semua sesi kehidupan ini diucapkan oleh mereka. 20 gambar kaligrafi arab yang mudah untuk ditiru dan sangat indah bentuknya, dari kata bismillah, asmaulhusna dan artinya. Hampir di setiap moment kehidupan kita mengucapkan perkataan mulia ini untuk mengharap. Daftar tulisan arab bismillah beserta gambar kaligrafi biismill...

Навальный Суд Ягода - Kak Genrih Yagoda Sledil Za Navalnym Utro 19 01 21 Youtube - (судья пытается прервать навального, в ответ он говорит, что его слова.

Навальный Суд Ягода - Kak Genrih Yagoda Sledil Za Navalnym Utro 19 01 21 Youtube - (судья пытается прервать навального, в ответ он говорит, что его слова. . Итоги судебного заседания 2 февраля. (судья пытается прервать навального, в ответ он говорит, что его слова. Отметок «нравится», 1,374 комментариев — леонид парфёнов (@leonidparfenoff) в instagram: Суд решил избрать навальному меру пресечения в виде ареста до вступления в силу решения о замене ему суд по делу навального начался сегодня в 11:00 по столичному времени. Официальный представитель кремля дмитрий песков прокомментировал проведение судебного заседания над алексеем навальным. .гулага генриха ягоды, которую заметили во время суда над алексеем навальным. Над навальным на выездном суде в полиции химок — ягода. О чем говорит суд над навальным под портретом ягоды. Портреты ежова и берии несомненно. Над навальным на выездном суде в полиции химок — ягода. ...

Hocker Kaufen - Vintage Hocker Weiss Hocker Lone Mit Polsterung Preiswert Kaufen Danisches Bettenlager - Discover our fabric and leather collection

Hocker Kaufen - Vintage Hocker Weiss Hocker Lone Mit Polsterung Preiswert Kaufen Danisches Bettenlager - Discover our fabric and leather collection . Sie werden im handel meist in eckiger form angeboten, doch auch runde hocker sind keine. Bevor sie sich also einen hocker kaufen, sollten sie sich gedanken bezüglich des einsatzbereiches (garten, wohnzimmer etc.), der mechanik (tragfähigkeit, höhe, breite, option der höhenverstellbarkeit, mit oder ohne rollen) und des stiles (material, bezug, anzahl der beine) machen. Wir kaufen dein gebrauchtes ikea möbelstück. Loungesessel, relax sessel oder ganz aus leder. Rolf benz onda more than 300 different covers. Discover our fabric and leather collection Hocker online kaufen otto.de hocker aus holz sitzhocker & fußhocker modern, retro & landhaus ratenkauf möglich & kauf auf rechnung! Loungesessel, relax sessel oder ganz aus leder. So können hübsche polsterhocker als zusätzliche sitzgelegenheiten zur wohnlandschaft ...